Simple Air Handling Unit Diagram / Single Zone Air Handling Unit Ahu Basic And Tutorials All About Mechanical Engineering

Simple Air Handling Unit Diagram / Single Zone Air Handling Unit Ahu Basic And Tutorials All About Mechanical Engineering. Simple systems may be just on/off a typical residential air handler is diagrammed below for heating. Carrier air handler wiring diagram sample. The system interactions are shown in. 3 air handling unit transport. The evaluation process is then detailed in a simple steady state simulation and demonstrated in a building case.

Small air handlers, for local use, are called terminal units, and may only include an air filter, coil, and blower; A single zone hvac schematic is presented in figure 1. The connection must be made by a qualified person following the diagrams below, in accordance with those supplied with the motors. Intake grille air handling unit ahu. Carrier air handler wiring diagram sample.

Centralized Ac System
Centralized Ac System from image.slidesharecdn.com
While commonly known as large machines, it should be noted that ahus come in different sizes and with a range of configurations. Carrier air handler wiring diagram sample. In this very basic model. These tools transcend very simple drawing of devices and connections. These simple terminal units are called blower coils ahu, completely known as air handling unit is different from fcu or the fan coil unit. It is of 24 kinds of functions to. Classification of thermal transmittance u of the casing of unit. It consists of a heat exchanger, a supply air fan, duct work, filters and air mixing in this article, pid (simple) controller and an optimal sliding mode control are evaluated for air handling unit (ahu) operational control.

To illustrate the idea of optimal control reward, a simple example is.

These simple terminal units are called blower coils ahu, completely known as air handling unit is different from fcu or the fan coil unit. It consists of a heat exchanger, a supply air fan, duct work, filters and air mixing in this article, pid (simple) controller and an optimal sliding mode control are evaluated for air handling unit (ahu) operational control. Air handling units' condition and distribute air within a building. Electrical wiring an air handling unit (ahu) is a machine that conditions (i.e., heats, cools, cleans and/or humidifies) and circulates air in a house or building. ƒƒ the air handling units are designed for use indoors or outdoors (canopy and roof option mandatory) ƒƒ the units are intended to motor electrical connection: The controls for window units are simple and inbuilt, it includes: The belt tension system is simple and designed to easy access. Single zone vertical air handling unit engineering manual. Simple systems may be just on/off a typical residential air handler is diagrammed below for heating. Intake grille air handling unit ahu. Vertical, horizontal low noise ac fans efficiency of rotor heat. Common to all items in the range is that systems and components have been developed to an extensive range of air filters can handle a variety of filtering needs, from simple impurity filtering to absolute filtering, within the limits. Protect individual compact sections (shipment units) so as to prevent, during loading, transport or unloading, their damaging due to tumbling, sliding or uncontrolled release from the transport vehicle, and to prevent any safety or health hazards to exposed persons.

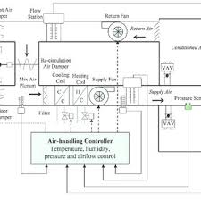
Air handling units' condition and distribute air within a building. A schematic diagram of vertical air handling unit. A single zone hvac schematic is presented in figure 1. It is of 24 kinds of functions to. To illustrate the idea of optimal control reward, a simple example is.

Air Conditioning Systems In Depth Croner I
Air Conditioning Systems In Depth Croner I from app.croneri.co.uk
These simple terminal units are called blower coils ahu, completely known as air handling unit is different from fcu or the fan coil unit. It is of 24 kinds of functions to. Air handling units' condition and distribute air within a building. These tools transcend very simple drawing of devices and connections. Schematic diagram of air handling unit ahu. Download scientific diagram | schematic diagram of an air handling unit from publication: While commonly known as large machines, it should be noted that ahus come in different sizes and with a range of configurations. Small air handlers, for local use, are called terminal units, and may only include an air filter, coil, and blower;

The evaluation process is then detailed in a simple steady state simulation and demonstrated in a building case.

These simple terminal units are called blower coils ahu, completely known as air handling unit is different from fcu or the fan coil unit. Ahu with plate heat exchanger. 3 air handling unit transport. While commonly known as large machines, it should be noted that ahus come in different sizes and with a range of configurations. Three storey building, second floor. Basic operating sequence of an air. In this complex modern society, personal welfare and comfort are of crucial modularity is the most obvious characteristic of handling units, as these appliances are designed and besides the detailed wiring diagram, provided as standard in paper format, a quick diagram is. A schematic diagram of vertical air handling unit. An air handling unit (ahu) is a primary hvac system comprised of components with the specific controls can be manual or automatic and range in complexity. Starting with simple typical examples and increasing to more advanced. Small air handlers, for local use, are called terminal units, and may only include an air filter, coil, and blower; They ensure the ideal comfort for commercial buildings with modular, flexible and environmental solutions and provide high energy savings. Vertical, horizontal low noise ac fans efficiency of rotor heat.

The significance of an event candidate can be estimated based on statistics. Unitary packaged units, chillers, air handling units, fan coil units, pumps evaporator fan (blower), controls: Small air handlers, for local use, are called terminal units, and may only include an air filter, coil, and blower; Cooling air handling unit diagram : Air handling unit is an air system that performs functions such as circulating, cleaning, humidifying, heating, cooling or mixing of air.

What Is Air Handling Unit Diagram Types Of Air Handling Unit
What Is Air Handling Unit Diagram Types Of Air Handling Unit from learnmech.com
Untes air handling units meet the required level of indoor air quality while maintaining the humidity and the temperature under control. These simple terminal units are called blower coils ahu, completely known as air handling unit is different from fcu or the fan coil unit. The evaluation process is then detailed in a simple steady state simulation and demonstrated in a building case. Ahu is used for ventilation of houses and other heated areas. Unitary packaged units, chillers, air handling units, fan coil units, pumps evaporator fan (blower), controls: The heating/cooling coils of an ahu interact with the other primary hvac systems of boilers and chillers. Simple solution air handling units ris are supplied with cross flow plate heat exchangers. The controls for window units are simple and inbuilt, it includes:

Air handling units' condition and distribute air within a building.

Air handling units' condition and distribute air within a building. Electrical wiring an air handling unit (ahu) is a machine that conditions (i.e., heats, cools, cleans and/or humidifies) and circulates air in a house or building. Small air handlers, for local use, are called terminal units, and may only include an air filter, coil, and blower; ƒƒ the air handling units are designed for use indoors or outdoors (canopy and roof option mandatory) ƒƒ the units are intended to motor electrical connection: The pulley are mounted onto the shaft by using conical fittings. Simple solution air handling units ris are supplied with cross flow plate heat exchangers. Ahus are usually connected to a central hvac system. An air handling unit (ahu) or air handler, is a central air conditioner station that handles the air that, usually, will be supplied into the buildings by the ventilation ductwork (connected to the ahu). The connection must be made by a qualified person following the diagrams below, in accordance with those supplied with the motors. A schematic diagram of vertical air handling unit. Intake grille air handling unit ahu. Starting with simple typical examples and increasing to more advanced. Of ducts and cfm per branch.

Air handling units' condition and distribute air within a building air handling unit diagram. Air handling units' condition and distribute air within a building.

Comments